
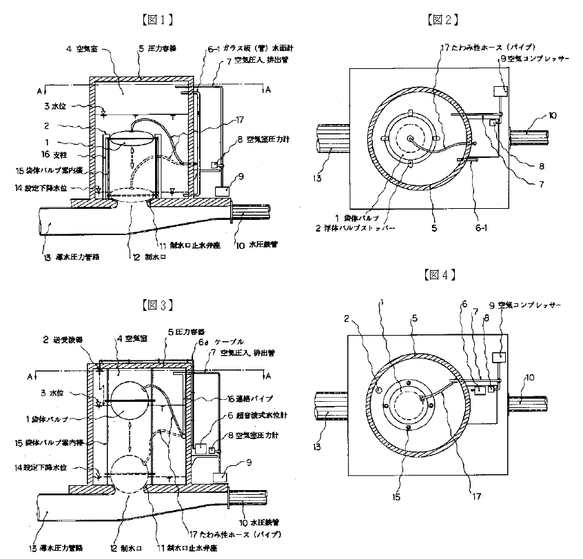
(図1,図2)の符号
1 袋体バルブ 2 浮体バルブストッパー 3 水位4 空気室 5 圧力容器 6-1 ガラス板水面計
7 空気圧入排出管 8 空気室圧力計 9 空気コンプレッサー10 水圧鉄管 11 制水口止水弁座
12 制水口 13 導水圧力管路 14 設定下降水位 15 袋体バルブ案内棒
16 支柱 17 たわみ性ホース
(図3,図4)の符号で上記に説明のないもの。
2 送受波器 6 超音波水位計 6a ケーブル

(図5,図6)の符号
2 袋体バルブストッパー 6-2 差圧式水位計 16 差圧変換器 18 ドレン
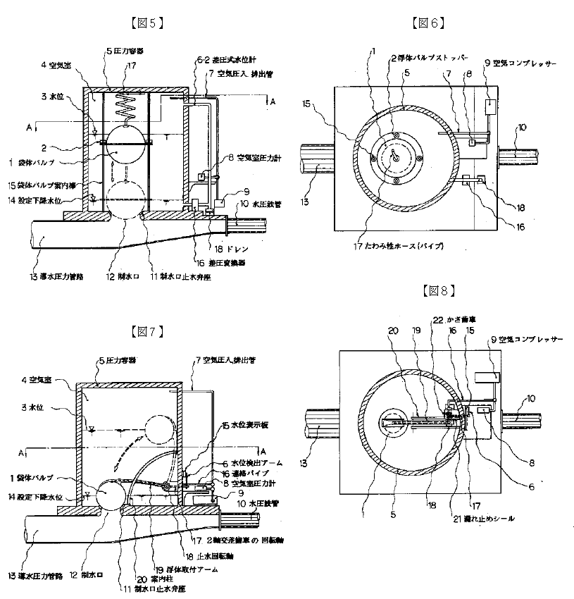
(図7,図8)の符号
6 水位検出アーム 16 連絡パイプ 17 2軸交差歯車の回転軸
18 止水回転軸 19 浮体取付アーム 20 案内柱 21 漏れ止めシール 22 かさ歯車


【0010】【実施例】本発明の実施方法と、その構成について(図)を例にあげて説明する。
実施例1(図1,図2)に基づいて実施例1を説明する。(図1)は、本発明の浮力開閉袋体バルブ式密閉型調圧水槽の縦断面図、(図2)は(図1)のA-A線矢視による横断面図である。
(イ) 袋体バルブ1は、袋体バルブ案内棒15に滑らかに滑動できるように取り付ける。そして、袋体バルブ1に、たわみ性ホース17を接続し圧力容器5の外部に導く。その先端に弁を取り付け、袋体バルブ1に圧縮ガスを密閉できるようにする。そして、空気室4の圧力に抵抗できるように、任意に袋体バルブ1の圧力を調整する。袋体バルブ案内棒15は、支柱16に取りはずしできるように設ける。さらに、支柱16の端部に浮体バルブストッパー2を取り付ける。その役割は袋体バルブ1の離脱防止である。
(ロ) 圧力容器5は、空気漏れのないように鉄筋コンクリート,FRP,鋼材等を用いて単独、又は組み合わせて製作する。その圧力容器に、ガラス板(管)水面計6-1を圧力容器5の外部に設ける。この場合の水位計測は、目視による場合が多い。圧力容器5内の空気室4に、空気を入れたり排出したりするのは、空気圧入排出管7、空気コンプレッサー9と排出弁でする。なお、空気コンプレッサーは可搬式も可能である。
(ハ) 空気室圧力計8(ブルドン管等)とガラス板(管)水面計6-1の役割は、袋体バルブ式密閉型調圧水槽の作動管理に用いる。管理の方法は、熱力学法則(P・Vx=一定)を用いて、定常発電出力時での空気室体積(V)と圧力(P)とを測って、空気室体積(V)の設定値の確認をする。なお、機械式水位計(図8)、超音波式水位計(図3)と空気室圧力計8とを用いて、空気室体積(V)、圧力(P)を電気信号による自動制御も可能である。
(ニ) 制水口止水弁座11は、制水口12の上部に設ける。止水を確実にするように、ゴム,FRP,合成樹脂,金属等の弾性体で製作する。
【0011】実施例2(図3,図4)に基づいて実施例2を説明する。なお、実施例1の構成にないものについて述べる。
(イ) 袋体バルブ1は、圧力容器5の天井より制水口12側面上部に達する、袋体バルブ案内棒15に取り付ける。そして、袋体バルブ1に、たわみ性ホース17を接続し、その端は、連絡パイプ16に取り付ける。連絡パイプ16は圧力容器5に固定し、空気室4と袋体バルブ1との内部に空気が自由に出入できるようにする。したがって、袋体バルブ1の空気圧入排出は、空気室4の空気圧入排出と同時にすることができる。
(ロ) 水位の計測は、超音波水位計6でする。空気室4に送受波器2を設け、圧力容器5を貫通するケーブル6aを超音波水位計内部の変換器に接続する。
【0012】実施例3(図5,図6)に基づいて実施例3を説明するが、前記の構成にないものについて説明する。
(イ) 袋体バルブ1は、袋代バルブ案内棒15に取り付け、袋体バルブ1に、たわみ性ホース17を接続し、その端は、空気室4の圧力容器5の天井に固定する。そのようにすれば、空気室4と袋体バルブ1は連続し、圧縮空気は自由に出入する。
(ロ) 水位の計測は、差圧式水位計6・2で測る。空気室4と圧力容器5の底部とをパイプ等で接続し、その間に、差圧変換器16、ドレン18を設置する。差圧水位計6・2は、密閉タンク内の液位を、タンク上部の空間圧力とタンク底部の圧力との差により測定するものである。してがって、熱力学法則(P・Vx=一定)を用いると空気室圧力計8を省略することが可能である。
【0013】実施例4(図7,図8)に基づいて実施例4を説明する。
(イ) 袋体バルブ1は、浮体取付アーム19に取り付ける。そして、浮体取付アームは中空状(パイプ状)に作り、袋体バルブ1に空気が自由に出入できるようにする。浮体取付アーム19は、止水回転軸18に固定する。止水回転軸18は、回転軸の内部に空気通路を設け、さらに、水位検出アーム6を回転させる、かさ歯車22を取り付ける。なお、止水回転軸18内部の空気通路は、連絡パイプ16に回転できるように接続し、空気圧入排出管7を通って、空気室4につながる。その機能は空気室4と袋体バルブ1を連続し、圧縮空気を自由に出入させることである。また、止水回転軸18と浮体取付アーム19、連絡パイプ16との接続部には、漏れ止めシール21を設けて、圧力容器5内の漏水を止める。
(ロ) 案内柱20は、浮体取付アーム19の側方移動を拘束し、浮体バルブ1と制水口止水弁座11との位置関係を保つために設置する。なお、浮体取付アーム19は、滑らかに移動できるように案内柱20に取り付ける。
(ハ) 水位の計測は、止水回転軸18に取り付けた、かさ歯車22と2軸交差歯車の回転軸17とで水位検出アーム6を回転させ、水位表示板15で水位を読み取る。この方法は、機械式水位計測装置と考えることができる。